*13.5~200MHz frequency range
*Rich output types (LVDS, LVPECL, HCSL)
*Multiple voltage options (1.8V, 2.5V, 3.3V)
*Phase Jitter: 0.1ps typ.
*±25ppm @-40~+85℃
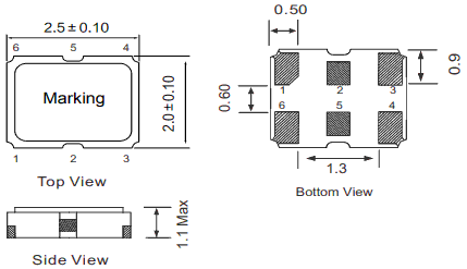
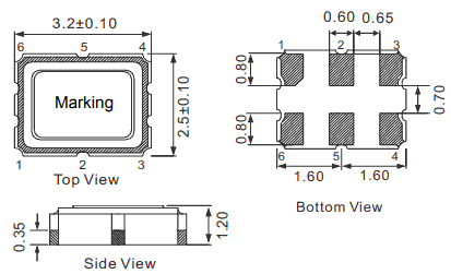
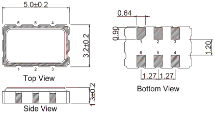
*Package: 2.5x2.0mm, 3.2x2.5mm, 5.0x3.2mm, 7.0x5.0mm
| Item / Type | LVPECL | LVDS | Remarks | |||||||
| 7.5x5.0 5.0x3.2 |
3.2x2.5 2.5x2.0 |
7.5x5.0 5.0x3.2 |
3.2x2.5 2.5x2.0 |
|||||||
| Output Frequency Range |
13.5 to 200MHz |
13.5 to 156.25MHz |
13.5 to 200MHz |
13.5 to 156.25MHz |
||||||
| Supply Voltage | 2.5V to 3.3V | 1.8V, 2.5V to 3.3V | ||||||||
| Operating Temperature Range |
-40 to +85 ℃ | |||||||||
| Storage Temperature Range |
- 55 to + 125 ℃ | |||||||||
| Frequency Stability | ± 50 ppm | |||||||||
| Current | 80mA Max | 50mA Max | 60mA Max | 40mA Max | OE=Vcc, LVPECL=(50) Ω or LVDS=(100)Ω |
|||||
| Disable Current | 10uA Max | OE=GND | ||||||||
| Output Voltage (LVPECL) |
VOH=Vcc-1.03 Min | - | DC characteristics | |||||||
| VOL=Vcc-1.6 Max | - | |||||||||
| Output Voltage (LVDS) | - | VOD=247 to 454mV | VOD1, VOD2 | |||||||
| - | VOD=50mV Max. | dVOD=丨 VOD1-VOD2 丨 | ||||||||
| - | VOS=1.125V to 1.375V | VOS1, VOS2 | ||||||||
| - | VOD=50mV Max. | dVOS=丨 VOS1-VOS2丨 | ||||||||
| Output Load Condition |
L_PECL=50Ω | - | Terminated to Vcc-2.0V | |||||||
| - | L_LVDS=100Ω | Connected between OUT to OUT | ||||||||
| Input Voltage | VIH=70% VccMin, VIL=30%Vcc Max | OE terminal | ||||||||
| Output Symmetry | 45 to 55% | |||||||||
| Rise Time/Fall Time | 0.8ns Max. | LVPECL: Between 20% and 80% of (VOH-VOL), LVDS: Between 20% and 80% Differential Output peak to peak voltage |
||||||||
| Start-up time | 10mS Max | Time at minimum supply voltage to be 0s |
||||||||
| Phase Jitter (12KHz~20MHz) |
100MHz | 125MHz | 148.5MHz | 156.25MHz | 180MHz | 200MHz | ||||
| 0.3pS Typ. | 0.1pS Typ. | |||||||||
| Aging | ±3ppm | 25℃ First year, Vcc=2.5V, 3.3V |
||||||||
| Quartz Crystal Oscillator |
Type Code |
Size (mm) |
Frequency (Hz) |
Voltage (V) |
Stabili (ppm) |
Output | Pin | Material | Temperature |
| O | B | 3.2 x 2.5 | 13.5M | E | B | B | 6 | S | I |




Voltage : 1.8V~3.3V
Frequency : 13.5MHz-200MHz
Dimension : 2.5 x 2.0 x 1.1 mm 3.2 x 2.5 x 1.2 mm 5.0 x 3.2 x 1.3 mm 7.0 x 5.0 x 1.3 mm
Operating Temp :
Frequency Tolerance : ±50ppm
Output : LVPECL LVDS