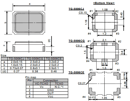
External Dimensions: 2.5 x 2.0 mm
PN: X1G004211000100 X1G004211000300
Application: Wireless communication devices (CDMA, WCDMA, LTE, WIMAX)
| Item | Symbol | Specifications | Conditions/ Remarks | |
| VC-TCXO | TCXO | |||
| Output frequency range |
f0 | 13.000MHz to 52.000MHz | ||
| 16.367667 MHz, 16.368 MHz, 16.369 MHz, 19.2 MHz, 26 MHz, 38.4 MHz |
Standard frequency | |||
| Supply voltage | VCC | 1.8V ±0.1V / 2.8V ± 5 % / 3.0 V ± 5 % / 3.3 V ± 5 % | Range: 1.7V to 3.465V | |
| Storage temperature | T_stg | -40°C to +90°C | Store as single product. | |
| Operating temperature |
T_use | -30°C to +85°C | ||
| Frequency tolerance | f_tol | ±2.0 x10-6 Max. | After reflow, +25°C | |
| Frequency/ temperature characteristics |
fo-TC | ±0.5 x 10-6 Max. / -30°C to +85°C | High stability version for GPS | |
| ±2.0 x 10-6 Max. / -30°C to +85°C | Standard stability version | |||
| Frequency/load coefficient | fo-Load | ±0.2 × 10-6 Max. | 10kΩ // 10pF ±10% | |
| Frequency/voltage coefficient | fo-VCC | ±0.2 × 10-6 Max. | VCC ± 5% | |
| Frequency aging | f_age | ±1.0 × 10-6 Max. | +25°C, First year, 13MHz≤ f0≤40MHz | |
| ±1.5 x 10-6 Max. | +25°C, First year, 40MHz< f0≤52MHz | |||
| Current consumption | ICC | 1.5mA Max. | 13MHz≤ f0≤26MHz | |
| 2.0mA Max. | 26MHz< f0≤52MHz | |||
| Input resistance | Rin | 500kΩ Min. | - | VC- GND (DC) |
| Frequency control range |
f_cont | ±8.0 × 10-6 to ±15.0 × 10-6 | - | VC=0.9 V ±0.6 V (Vcc =1.8 V) or VC=1.4 V ±1.0 V (Vcc=2.8 V) |
| Frequency change polarity | - | Positive polarity | - | |
| Symmetry | SYM | 40% to 60% | GND level (DC cut) | |
| Output voltage | VPP | 0.8V Min. | Peak to peak | |
| Output load condition |
Load_R | 10kΩ | DC cut capacitor = 0.01µF | |


(Unit: mm)
Please keep "N.C." pin OPEN condition or GND connection.
"N.C." pin doesn’t work as a ground pin.
Footprint (Recommended)

(Unit: mm)
For stable operation, please add a bypasscapacitor (0.01uF to 0.1uF) between Vcc and GND.
Please place it as close to TCXO as possible.
Voltage : 1.7V~3.465V
Frequency : 13MHz-52MHz
Dimension : 2.5 x 2.0 mm
Operating Temp :
Frequency Tolerance : ±0.5ppm ±2ppm
Output : -