Crystals
| Item / Type | YT-38 |
| Nominal Frequency Range | 32.768KHz |
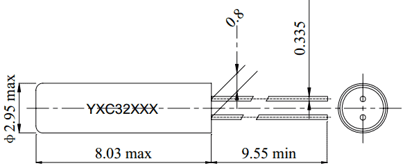
| Dimensions | 3.0 x 8.0 mm |
| Load Capacitance | 12.5pF, or specify |
| Frequency Tolerance (at 25 ℃) | ± 5 ppm , ± 10 ppm , or specify |
| Frequency Versus Temperature Characteristics | 0-120ppm, or specify |
| Turnover Temperature | -(0.036±0.01)*-6 /℃2 |
| Operating Temperature | -20 ~ +70 ℃ , -40 ~ +85 ℃, or specify |
| Storage Temperature | -55 ~ +125℃ |
| Shunt Capacitance | 2.0pF Max |
| Level of Drive | 1.0 μW Tvp |
| Frequency Aging (at 25 ℃) | ± 3 ppm / year Max. |
| Insulation Resistance | More Than 500M at DC 100V |
| Equivalent Series Resistance (ESR) | 40KΩ Max |

Frequency : 32.768KHz
Dimension : 3.0 x 8.0 mm
Load Capacitance : 12.5pF, or specify
Operating Temp :
Frequency Tolerance : ±5ppm ±10ppm