* CMOS output
*10~250MHz frequency range can be programmed
*Wide pull range: ±50ppm (min.)
*Low jitter: 1.0ps typ.
*Fast delivery, flexible delivery
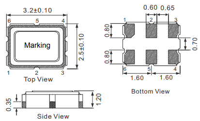
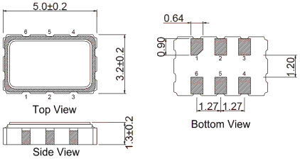
*Packaging: 3.2x2.5mm, 5.0x3.2mm, 7.0x5.0mm
| Item / Type | YSV310PR |
| Output Frequency Range | 10MHz to 250MHz |
| Dimensions | 3.2 x 2.5 x 1.00 mm 5.0 x 3.2 x 1.20 mm 7.0 x 5.0 x 1.30 mm |
| Supply Voltage | 2.5Vdc ± 10% 3.3Vdc ± 10% |
| Operating Temperature Range | -40 ~ +85 ℃ |
| Storage Temperature Range | - 55 ~ + 125 ℃ |
| Frequency Stability | ± 50 ppm |
| Absolute Pull Range | ± 50 ppm min |
| Input Resistance | 1Mohms Typ |
| Current | 40mA Max |
| Output Load condition CMOS | 15pF |
| Voltage Vol ( Max. ) / Vol ( Min. ) | VOH = 90%Vdd/VOL = 10%Vdd |
| Input Voltage | VIH=70% Vcc Min, VIL=30%Vcc Max |
| Duty Cycle | 45~55% |
| Rise Time/Fall Time | 4ns Max. |
| Start-up time | 10mS Max |
| Phase Jitter (12KHz~20MHz) | 1.0pS Typ. |
| Aging (25℃ First year, Vcc=2.5V,3.3V) | ±3 ppm / year Max. |
| Category | Waveform | Size (mm) |
Frequency (Hz) |
Voltage (V) |
Absolute Pull Range (ppm) |
Pin Output |
Vcc Voltage |
Pin | Material | Temperature | Remark |
| VCXO | C: CMOS | 7: 7.0x5.0 5: 5.0x3.2 3: 3.2x2.5 |
10M to 250M | B: 2.5 E: 3.3 |
A: ± 50 D: ± 100 |
N: Non S: Disable |
B: 1.65V C: 1.25V |
6Pin | S: Metal | I: Industrial -40 to 85℃ |
* |
| V | C | 3 | 10.888M | E | A | N | B | 6 | S | I | * |



Voltage : 2.5V, 3.3V
Frequency : 10MHz-250MHz
Dimension : 3.2 x 2.5 x1.2 mm 5.0 x 3.2 x 1.3 mm 7.0 x 5.0 x 1.3mm
Operating Temp :
Frequency Tolerance : ±50ppm
Output : CMOS