Introduction to passive crystal classification and explanation of important parameters
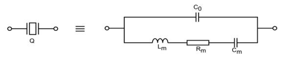
Equivalent model of crystal oscillation circuit
Quartz crystal is a piezoelectric device that can convert electrical energy and mechanical energy into each other. The energy conversion occurs at the resonant frequency point. It can be represented by the following model
The quartz crystal becomes a piezoelectric resonator after being electroded, mounted and packaged. When the alternating frequency of the external electric field is close to the natural frequency of the quartz crystal, and the angular frequency ω of the external voltage is equal to the natural resonant angular frequency ω of the mechanical vibration of the quartz (depending on the geometric size and cut type of the quartz crystal), the crystal produces mechanical resonance, and the elastic vibration is coupled with the circuit through the piezoelectric effect. Its effect is equal to the resonant circuit composed of the series arm of Lm, Cm, Rm and C0 in parallel. At this time, the amplitude of mechanical vibration is the largest, and the amount of charge generated on the crystal surface is the largest accordingly, and the current in the external circuit is the largest.
C0: Shunt Capacitance represents the static capacitance formed by the crystal and the silver coating.
Lm: Motional Lnductance is the equivalent inductance of the mechanical vibration inertia when the crystal oscillates.
Cm: Motional Capacitance is the equivalent capacitance of the crystal elasticity when the crystal resonates.
Rm: Resistance is used for the friction loss when the equivalent crystal vibrates.
· Main parameters of quartz crystal resonator
1、Nominal frequency: This frequency specifically refers to the frequency specified in the crystal technical conditions, expressed in MHz or KHz.
2、Adjustment frequency difference: The allowable deviation of the nominal frequency at a certain temperature (usually 25℃), expressed as a percentage (%) or parts per million (ppm).
3、Load capacitance (CL): The effective external capacitance that determines the load resonant frequency together with the crystal. Once any external capacitance is connected in series with the quartz crystal, it will become a determining factor in its resonant frequency. When the load capacitance changes, the frequency will also change. Therefore, when used in a circuit, the standard load capacitance is often used to fine-tune the frequency to the desired value.
4、Operating temperature range: The temperature range in which the quartz crystal component operates within the specified error.
5、Temperature frequency difference: Under specified conditions, the allowable deviation of the operating frequency relative to the reference temperature (25℃±2℃) within the operating temperature range.
6、Equivalent series resistance (Rr): The resistance value of the crystal at the resonant frequency, in ohms.
7、Excitation power (the main parameter of DL quartz crystal resonator): The characterization value of the power consumed by the crystal when it is working.
Maximum power is the power consumed by most power devices to maintain operation while ensuring normal electrical parameters, in mW or uW. In general, the excitation power should be maintained at the minimum value required to ensure the normal start-up and stable oscillation of the quartz crystal to avoid poor aging characteristics and crystal damage.
8、Storage temperature: The temperature range in which the crystal maintains standard characteristics when not in operation.
9、Insulation resistance: The resistance between the leads or between the leads and the housing.
10、DLD2: The deviation between the maximum and minimum impedance measured within a specific power range.
11、RLD2: The maximum impedance measured within a specified range of variable power.
12、TS: Trim sensitivity The change in FL for every 1PF change in load capacitance (unit: ppm/PF)
13、Aging: The change in operating frequency within a specific time range, generally expressed as the maximum value, in units of parts per million (ppm/year) of frequency change per year. There are many reasons why frequency changes over time, such as: sealing and integrity, manufacturing process, material type, operating temperature and frequency.

