Differential Crystal Oscillator (Differential Crystal Oscillator) is also referred to as "differential crystal oscillator". It outputs two signals with opposite phases through two output terminals (to play an anti-interference role). Differential crystal oscillators have significant advantages in anti-interference, signal integrity, EMI suppression, etc. through differential signal output, and can provide more stable and higher-speed clock signals. Therefore, differential crystal oscillators are usually used in high-speed communication systems, optical modules, high-speed serial interfaces (such as PCIe, USB 3.x) and other scenarios. There are 5 types of differential crystal oscillator output modes: LVPECL, LVDS, CML, HCSL, LPHCSL.
1、LVPECL mode: LVPECL (Low Voltage Positive Emitter-Couple Logic) is one of the main differential outputs. It achieves faster switching speeds by avoiding transistor saturation and is equipped with a constant current source driver. Due to the large voltage swing (usually 600-1000mV), LVPECL has excellent jitter performance, thus outputting low-noise signals, which is suitable for PON, graphics cards, optical modules, smart network cards, etc.

LVPECL differential crystal output mode and output waveform
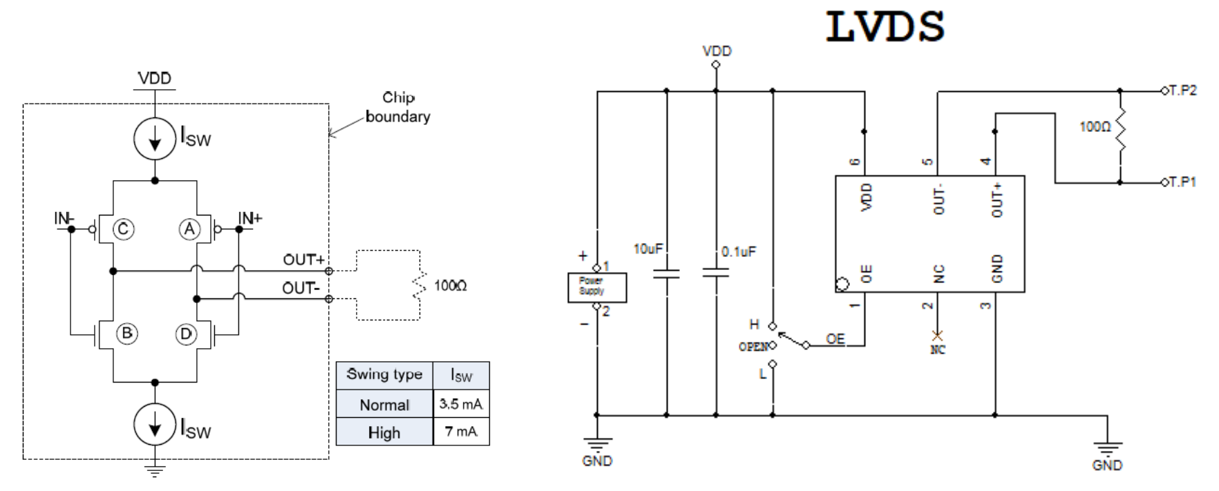
2、LVDS mode: LVDS (Low Voltage Differential Signaling) can provide a combination of low power consumption and low electromagnetic interference (EMI) at the same time. Due to the small voltage swing (usually 350mV), the power consumption is lower than that of the LVPECL differential output mode, and the current on the differential line with a load impedance of 100Ω generally does not exceed 4mA, making it less susceptible to noise. It is very important in applications such as audio and video processors, servers, routers and switches.

LVDS differential crystal output mode and output waveform
3、HCSL mode: HCSL (High-speed Current Steering Logic) is a high-speed differential signal that usually operates at a lower voltage level. It began in the late 1990s and is used for reference clocks for high-speed serial computer expansion bus standards (such as PCI Express). HCSL features extremely low jitter and power consumption, and is widely used in high-speed serial communications, clock distribution, and data paths within the system, which have high requirements for speed, power consumption, and performance.

HCSL differential crystal oscillator output mode and output waveform
4、CML mode: CML (Current Mode Logic) features: current source output, no external resistor required (built-in matching), high speed and low power consumption. Usually used in optical modules and high-speed serial links (such as 10G/25G Ethernet).

CML differential crystal oscillator output mode and output waveform
5、LPHCSL: (Low Power High Current Source Logic, low power high current source logic) LPHCSL differential crystal oscillator is a special differential output crystal oscillator that combines the characteristics of low power consumption and high current drive capability. This output mode is usually used in application scenarios that require high drive capability but are sensitive to power consumption. LPHCSL has a larger output voltage swing, stronger drive capability, and lower power consumption, which is suitable for scenarios that require high drive capability, such as (PCIe Gen4/5, USB 3.x, high-speed SerDes, data centers), etc.

LPHCSL has excellent high temperature stability, operating temperature range of -40°C to +105°C, suitable for demanding environments, frequency stability and circuit diagram are shown in the figure below.
YXC differential crystal oscillator selection table
Among them, YSO211PJ programmable differential crystal oscillator, wide frequency range (150~2100MHZ), supports LVPECL, PECL, HCSL, CML output signal types. The programmable frequency accuracy reaches 6 decimal places to ensure the high performance of the system.